Housing units UCFA, cast iron housing, radial insert ball bearing with grub screws in inner ring, RSR seals, for swivel motion


| d |
52,39 mm
|
Bore diameter |
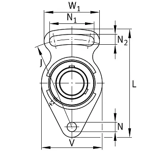
| L |
219 mm
|
Length total |
| U |
58,4 mm
|
Total height unit |
| ≈m |
3,06 kg
|
Weight |
| N |
16 mm
|
Fixing bore |
| N1 |
86 mm
|
Length (slot) |
| N2 |
16 mm
|
Width (slot) |
| J |
184 mm
|
Distance fixing bore |
| A1 |
20 mm
|
Thickness of flange |
| A2 |
25 mm
|
Distance raceway |
| A |
43 mm
|
Height housing |
| V |
130 mm
|
Shoulder diameter housing |
| W |
104 mm
|
Width housing slot side |
| Q |
M6
|
Connection thread for lubrication |
| Tmin |
-20 °C
|
Operating temperature min. |
| Tmax |
120 °C
|
Operating temperature max. |

