
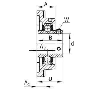
| d |
44,45 mm
|
Bore diameter |
| L |
137 mm
|
Flange width |
| U |
52,2 mm
|
Total height unit |
| Cr |
32.500 N
|
Basic dynamic load rating, radial |
| C0r |
20.400 N
|
Basic static load rating, radial |
| Cur |
870 N
|
Fatigue load limit, radial |
| ≈m |
2,297 kg
|
Weight |

| J |
105 mm
|
Distance fixing bore |
| N |
16 mm
|
Fixing bore |
| N1 |
105 mm
|
Distance fixing bore |
| n |
4
|
Number of screwing holes |
| A |
38 mm
|
Height housing |
| A1 |
18 mm
|
Thickness of flange |
| A2 |
22 mm
|
Distance raceway |
| B |
49,2 mm
|
Width |
| Q |
M6
|
Connection thread for lubrication |
| Tmin |
-20 °C
|
Operating temperature min. |
| Tmax |
120 °C
|
Operating temperature max. |