

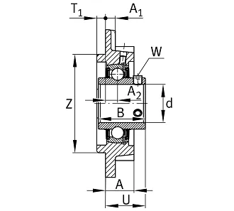
| d |
20 mm
|
Bore diameter |
| H |
100 mm
|
Height flange |
| U |
28.3 mm
|
Total height unit |
| Cr |
12,800 N
|
Basic dynamic load rating, radial |
| C0r |
6,600 N
|
Basic static load rating, radial |
| Cur |
345 N
|
Fatigue load limit, radial |
| ≈m |
0.72 kg
|
Bobot |
| J |
90 mm
|
Distance fixing bore |
| J |
78 mm
|
Pitch circle diameter (holes) |
| N |
12 mm
|
Fixing bore |
| N1 |
55.1 mm
|
Distance fixing bore |
| T1 |
5 mm
|
Height spigot |
| Z |
62 mm
|
Diameter spigot |
|
h8
|
Diameter spigot clearance | |
| n |
4
|
Number of screwing holes |
| A |
20.5 mm
|
Height housing |
| A1 |
8 mm
|
Thickness of flange |
| A2 |
10 mm
|
Distance raceway |
| B |
31 mm
|
Width |
| Q |
M6
|
Connection thread for lubrication |
| Tmin |
-20 °C
|
Operating temperature min. |
| Tmax |
120 °C
|
Operating temperature max. |