Deep Groove Ball Bearing Material Manufacturer Ensuring Quality and Performance
Deep groove ball bearings are among the most commonly used types of bearings in various mechanical systems. Known for their versatility, they are utilized in automotive applications, industrial machinery, electrical motors, and many other devices. The performance and longevity of these bearings heavily depend on the quality of materials used in their manufacturing. Therefore, selecting a reliable deep groove ball bearing material manufacturer is crucial for ensuring optimal performance in applications.
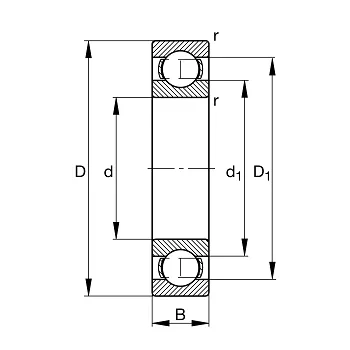
Understanding Deep Groove Ball Bearings
Deep groove ball bearings consist of an outer ring, an inner ring, a set of rolling balls, and a cage that holds the balls in position. Their design allows them to accommodate both radial and axial loads, making them suitable for a wide array of applications. The simplicity of their design and the variety of available sizes make them a popular choice in both low-speed and high-speed applications.
Importance of Material Selection
The performance characteristics of deep groove ball bearings, such as load capacity, friction, and wear resistance, are primarily influenced by the material from which they are made. Traditionally, steel has been the most common material used in the fabrication of these bearings. However, advancements in material science have led manufacturers to explore alternatives such as stainless steel, ceramics, and composite materials, each offering specific benefits.
1. Steel Bearings Standard carbon steel is favored for its strength and durability. However, it is prone to corrosion, which can be detrimental in harsh environments. Manufacturers have addressed this by using high-quality alloy steels that provide better fatigue resistance and improved performance.
2. Stainless Steel Bearings These bearings are ideal for applications where corrosion resistance is essential. Stainless steel is less likely to corrode, making it suitable for environments exposed to moisture, chemicals, and temperature fluctuations. While they are generally more expensive than their carbon steel counterparts, the long-term benefits often justify the cost.
3. Ceramic Bearings Offering superior hardness and lower friction, ceramic ball bearings are a popular choice in high-performance applications. Their lightweight properties also contribute to reduced energy consumption. However, they are typically more brittle and require careful handling during installation and operation.
4. Composite Bearings Emerging technologies have introduced composite materials that combine the best properties of metals and plastics. These bearings can offer excellent wear resistance, low friction, and lightweight characteristics, making them suitable for specialized applications.

The Role of the Manufacturer
Selecting the right manufacturer is equally crucial as the materials used in deep groove ball bearings. An experienced and reputable manufacturer will adhere to stringent quality standards throughout the production process. Here are some factors to consider when choosing a deep groove ball bearing material manufacturer
- Quality Control A rigorous quality control system ensures that every component meets the required specifications. Manufacturers should conduct thorough inspections and testing, including dimensional accuracy, hardness tests, and fatigue testing.
- Material Sourcing The quality of materials used is highly dependent on the sourcing practices of the manufacturer. Look for manufacturers that source high-grade raw materials from reputable suppliers.
- Customization Capabilities Different applications may require unique bearing specifications. A good manufacturer should offer customization options, allowing clients to tailor the bearings according to their specific needs.
- Technical Expertise Manufacturers with a knowledgeable engineering team can provide valuable insights during the selection process. They can assist in choosing the right type of bearing and materials suitable for the operating conditions of the application.
- After-Sales Support A reliable manufacturer should provide excellent after-sales support, including guidance on maintenance and troubleshooting to ensure the longevity of the bearings.
Conclusion
The selection of a deep groove ball bearing material manufacturer is a critical decision that impacts the overall performance of machinery and equipment. By understanding the materials used and evaluating manufacturers based on quality, sourcing, customization, technical expertise, and support, businesses can make informed choices. This diligence not only enhances operational efficiency but also reduces downtime and associated costs, ultimately leading to greater productivity and profitability. As technology continues to evolve, manufacturers that remain committed to quality and innovation will lead the way in producing high-performance deep groove ball bearings for various applications.